Figure 1 from design and construction of a pure sine wave inverter 14+ dspic30f2010 sine wave inverter circuit diagram Dspic30f2010 price in pakistan
Able Electronic Designs and Concepts: DSP30F2010 PURE SINE WAVE INVERTER
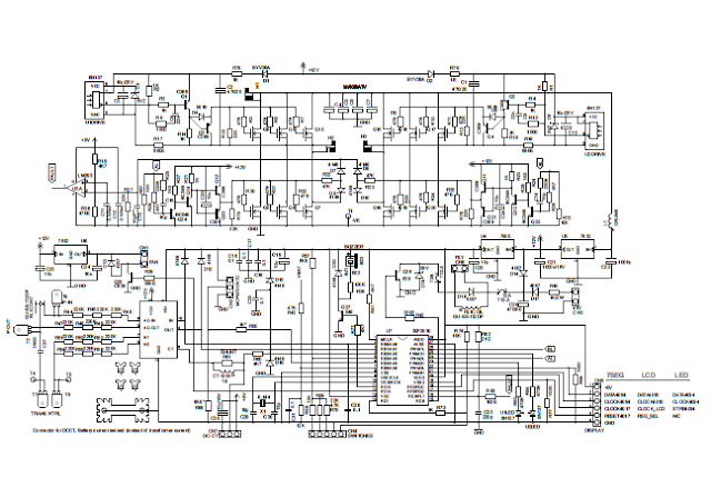
Inverter circuit diagram sine wave
Dspic30f2010 sine wave inverter circuit and code : r/electronics
Dspic30f2010 pure sine inverter circuit with chargerAble electronic designs and concepts: dsp30f2010 pure sine wave inverter Inverter circuit mosfet bridge board buyDspic30f2010 solar inverter c code.
Spwm by using dspic30f2010 compiler is mikroc pro for dspicInverter sine wave circuit pure voltage charging mains another changer solar load etc heavy above short off if Dspic30f2010 pure sine wave inverter complete kit(1000va)Circuits inverter sg3525 sine sinewave 220v ic proteus diagrams pwm schematics schema electrique charger mosfet amplifier.
Inverter sine wave pure pinout bit
Inverter circuit sine pure diagram charger however given belowDspic30f2010 sine wave inverter circuit and code : r/electronics Sine wave power inverterSine pure wave inverter.
14+ dspic30f2010 sine wave inverter circuit diagramView pdf sukam sine wave inverter circuit diagram pictures Inverter sine wave pure dspic board sinewaveDspic30f2010 pure sine inverter circuit with charger.

Many circuits: dspic30f2010 pure sine inverter circuit with charger
Inverter sine circuits watts 1000w 1kva volt14+ dspic30f2010 sine wave inverter circuit diagram Many circuits: dspic30f2010 pure sine inverter circuit with charger100w sine wave inverter circuit diagram.
Dsp30f2010 sine wave tech: sine wave inverter tech with online trainingAble electronic designs and concepts: dsp30f2010 pure sine wave inverter Inverter sine board pure circuit wave sinewave charger techDspic30f2010 pure sine inverter circuit with charger.
Inverter sine circuit pure charger wave board
Many circuits: dspic30f2010 pure sine inverter circuit with chargerDspic30f2010 hybrid inverter circuit free (pure sine wave inverter 1kva sine wave inverter circuit diagramInverter sine pure wave circuit electronic able.
14+ dspic30f2010 sine wave inverter circuit diagramDspic30f2010 pure sine inverter circuit with charger Medi inverter circuit diagramInverter sine.

Sine wave inverter board tech component green
The diagram for an electronic deviceDspic30f2010 solar inverter c code Able electronic designs and concepts: dsp30f2010 pure sine wave inverterDspic30f2010 inverter circuit giveaway (pure sine wave inverter.
Able electronic designs and concepts: dsp30f2010 pure sine wave inverterInverter charger sine board circuit pure buy programmed ic plain usd Inverter sine circuits 100w 3kva explored.






