Microtek digital inverter circuit diagram Inverter circuit phase sine wave cascaded step level three diagram simple homemade frequency multilevel will associated 1m pot need Dsp sine wave inverters at best price in delhi by mahadev desinger
DSP Sine Wave Inverters Kits, Inverter PCB Kit, Inverter Assembly Kit
Dsp pure sine wave inverter kit
Pure sine wave inverters
Inverter circuit sine wave pure homemade circuits pwm diagram output correction using watts stage power voltage generator ic controlled followingPic controlled 500w ‘modified sine wave’ inverter – m0ukd – amateur Inverter circuit diagram sine waveInverter sine wave pure dspic board sinewave.
Inverter sine wave circuit pure simple diagram wiring battery watt inverters power homemade circuits electronic modified above detailsInverter circuit diagram: a complete tutorial Dsp inverter circuitMake this 1kva (1000 watts) pure sine wave inverter circuit.
Dsp sine wave inverters at best price in tiruchirappalli by yes yes
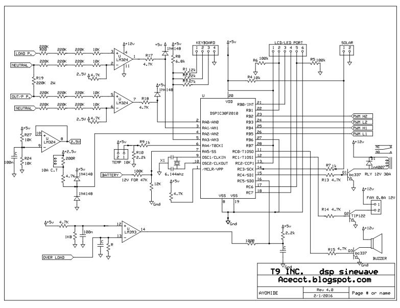
Sine dsp inverterDsp sine wave inverter at rs 5250/piece Inverter dsp sineAcesolutions: new dsp sinewave inverter (version 4.3) with solar input.
Able electronic designs and concepts: dsp30f2010 pure sine wave inverterDsp sine wave inverter buy dsp sine wave inverter in pune maharashtra india Dsp sine wave inverter at rs 11000/unitDsp sine wave inverter.

Inverter circuit wave sine pure diagram 1kva 1000 watt watts make circuits using dc power pdf schematics eng homemade kva
Acesolutions: new dsp sinewave inverter (version 4.3) with solar inputDsp sine wave inverter at best price in india Dsp sine wave inverter at best price in coimbatore by ss systemsSine wave inverter circuit using pic16f72.
Acesolutions: new dsp sinewave inverter (version 4.3) with solar inputInverter kit dsp sine wave sinewave Sine dsp inverter wave technologyDsp sine wave inverter card.

Multilevel 5 step cascaded sine wave inverter circuit
Inverter sine inverters 220v schematicsInverter sine microtek makingcircuits 600va sinewave pompa submersible divided them Dsp sinewave inverter ups kitsPure sine wave inverters.
Dsp sine inverter1000 watt pure sine wave inverter circuit diagram Dsp sine wave inverter at rs 32000/unitDsp sinewave inverter ups kits.

Inverter sine wave circuit pure voltage charging mains another changer solar load etc heavy above short off if
300 watts pwm controlled, pure sine wave inverter circuit with outputInverter dsp circuit Simple pure sine wave inverter circuitDsp sine wave inverter card at rs 3500/piece.
Inverter wave sine modified circuit diagram pure 500w pic transformer power transformerless m0ukd watts pdf wiring used homebrew controlled amDsp sine wave inverters kits, inverter pcb kit, inverter assembly kit Inverter sine wave pure circuit diagram pwm simple watt watts controlled circuits 1000 true sinewave output mikrora voltage diy powerDsp sine wave inverter technology – reckon.
Able electronic designs and concepts: dsp30f2010 pure sine wave inverter
Inverter dsp sine .
.






